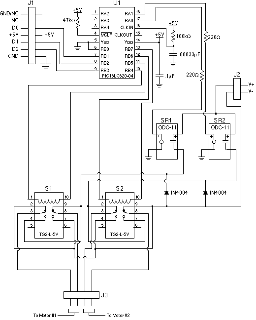
Motor Control Schematic
Presented here is the schematic drawing for the Intelligent Dual Motor
Controller circuit.
Parts List
- 1 PIC16LC620-04
- 2 ODC-11 Silicon Relays (60VDC, 5V input)
- 2 TQ2-L-5V Latching Relays
- 1 47 kOhm 1/8 Watt Resistor
- 1 100 kOhm 1/8 Watt Resistor
- 2 220 Ohm 1/8 Watt Resistors
- 1 .00033µF Tantilum Capacitor
- 1 .1µF Ceramic Capacitor
- 2 1N4004 Diodes
- 1 18 pin Low-Profile Socket
- 2 10 pin Sockets (Optional)
- 1 7 pin 0.1 inch angled Header
- Connectors for Motors and Motor Power Supply as needed